采用高精度称重测力传感器,低功耗模块化数字电路,专用4G无线通讯芯片,内置电池及天线,重量、温度、湿度、倾角数据直接对接云物联平台及移动端,实现365*24h实时数据采集监控,云平台、移动端APP或微信小程序、手机信息等多种预警方式。
CO2灭火器重量监控仪
二氧化碳灭火器重量监控仪
二氧化碳灭火器物联监控
二氧化碳灭火器无线监控
二氧化碳灭火器监控传感器
物联电子秤
无线电子秤
无线称重传感器
PT500-110
一、CO2 二氧化碳灭火器重量监控仪 PT500-110 概述:
| 称重/测力、温度、湿度、倾角四位一体 | 物联网无线4G移动通讯 | 内置电池供电,寿命≥3年(@频率06003) |
| 称重/测力/温度/湿度/姿态同时测量 | 信号覆盖广泛、稳定、响应快、不丢包 | 电池安装:拔插式,可更换 |
| 三款结构尺寸适应不同工况 | 拔插式SIM卡可更换 | 可选:18Ah大容量电池/可充电电池 |
| 高精度平行梁称重传感器 | 配套物联网监控云平台及移动端APP | 产品寿命≥100万次 |
| 环境温湿度监测 | 数据采集、显示、统计、分析、下载 | 32位MCU、24位ADC |
| 产品安装位置倾角监测(姿态) | 上传频率、各数据的预警阀值远程配置 | 结构有整体式和分体式,适用不同用户 |
| 产品通过第三方检测机构认证 | 平台、APP、手机短信多方位预警联动 | 防护等级IP67 |
| 普量公司享有多项产品专利 | 无缝对接公共云及私人云物联平台 | 应用于CO2灭火器重量监控等称重领域 |
二、CO2 二氧化碳灭火器重量监控仪 PT500-110 型号规格:
| 代码 | 类型 | |||||
| PT500-110 | 物联称重测力传感器 | |||||
| 代码 | 量程 | |||||
| 50Kg | 称重量程:0~50Kg(默认) | 温度量程:-40~70℃, 湿度量程:0-99%RH, 倾角量程:±90°(X/Y/Z三轴) | ||||
| 100Kg | 称重量程:0~100Kg | |||||
| 定制量程 | ||||||
| 代码 | 通讯类型 | |||||
| 4G | 移动4G通讯,使用移动物联网SIM卡 | |||||
| 代码 | 综合精度 | |||||
| C3 | 压力:±0.5%FS,温度:±2℃,湿度:±5%RH,倾角±3° | |||||
| 代码 | 称台面尺寸规格 | |||||
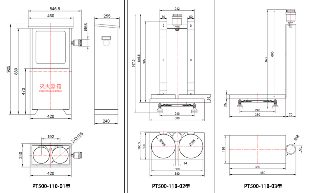
| 01 | 420*240*925(mm)-带灭火器箱子 | |||||
| 02 | 380*190*690(mm)-托盘支架 | |||||
| 03 | 380*190*670mm(mm)-称架结构 | |||||
| 定制 | 定制台面尺寸 | |||||
| 代码 | 特殊要求规格 | |||||
| 省略 | ||||||
| PT500-110 | /50Kg | 4G | C3 | 01 | ||
三、CO2 二氧化碳灭火器重量监控仪 PT500-110 主要技术参数:
| 项目 | 参数 | 项目 | 参数 |
| 测量介质 | CO2灭火器及其它物品重量 | 结构 | 420*240*925(mm)-01型/带灭火器箱子 |
| 通讯类型 | 移动4G/SIM卡可换 | 380*190*690(mm)-02型/托盘支架 | |
| 称重量程 | 0~50Kg | 380*190*670mm(mm)-03型/称架结构 | |
| 0~100Kg | 使用寿命 | ≥100万次 | |
| 定制量程 | 环境温度 | -40~+70℃ | |
| 温度量程 | -40~+70℃ | 巡检时间 | 000~999分钟/次 |
| 湿度量程 | 0~99%RH | 上传频率 | 01~99次巡检时间 |
| 倾角量程 | ±90°(X;Y;Z三轴) | 安全过载 | 150%FS |
| 综合精度 | 称重:±0.5%FS;温度:±2℃ | 破坏重量 | 3倍量程; |
| 湿度:±5%RH;倾角:±3° | 天线方式 | 内置免安装 | |
| 电池规格 | 26500*2;3.6VDC/18Ah;可更换 | 防护等级 | IP67 |
| 电池寿命 | ≥3年/采集频率4小时/次 | 台面材料 | 镀锌铁板 |
四、CO2 二氧化碳灭火器重量监控仪 PT500-110 结构:

五、CO2 二氧化碳灭火器重量监控仪 PT500-110 感之物联云监控平台:






六、CO2 二氧化碳灭火器重量监控仪 PT500-110 感之物联移动端APP:





服务热线
QQ咨询

微信资询

移动端网站
