采用高精度称重测力传感器,低功耗模块化数字电路,专用4G无线通讯芯片,内置电池及天线,称重、温度、湿度、倾角数据直接对接云物联平台及移动端,实现365*24h实时数据采集监控,云平台、移动端APP或微信小程序、手机信息等多种预警方式。
二氧化碳灭火器重量监控仪
无线通讯电子秤
物联通讯电子秤
4G通讯电子秤
智慧消防灭火器重量监控
防灭火器物联重量监测
一、CO2灭火器无线重量监控仪 PT500-110产品特点:
| 称重/测力、温度、湿度、倾角四位一体 | 物联网无线4G移动通讯 | 内置电池供电,寿命≥2年(@采集频率4小时/次) |
| 称重/测力/温度/湿度/姿态(三轴倾角)同时测量 | 信号覆盖广泛、稳定、响应快、不丢包 | 电池安装:拔插式,可更换 |
| 台面尺寸(400*300mm)可定制 | 拔插式SIM卡可更换 | 内置天线,结构小巧 |
| 高精度平行梁称重传感器 | 配套物联网监控云平台及移动端APP | 产品寿命≥100万次 |
| 环境温湿度监测 | 数据采集、显示、统计、分析、下载 | 32位MCU、24位ADC |
| 产品安装位置倾角监测(姿态) | 上传频率、各数据的预警阀值远程配置 | 铝合金材料过程连接 |
| 产品通过第三方检测机构认证 | 平台、手机移动端预警、APP多方位预警联动 | 防护等级IP67 |
| 普量公司享有多项产品专利 | 可对接公共云及私人云物联平台 | 广泛应用于CO2灭火器重量监控、工业自动化等领域 |
二、CO2灭火器无线重量监控仪 PT500-110产品型号:
| 代码 | 类型 | |||||
| PT500-110 | 物联称重测力传感器 | |||||
| 代码 | 量程 | |||||
| (0~10Kg) | 称重量程:0~10Kg | 温度量程:-40~70℃, 湿度量程:0-99%RH, 倾角量程:±90°(X/Y/Z三轴) | ||||
| (0-20Kg) | 称重量程:0~20Kg(应用于2-3KgCO2灭火器) | |||||
| (0-30Kg) | 称重量程:0~30Kg(应用于5-7KgCO2灭火器) | |||||
| (0-50Kg) | 称重量程:0~50Kg | |||||
| (0-100Kg) | 称重量程:0~100Kg | |||||
| 其它定制量程 | ||||||
| 代码 | 通讯类型 | |||||
| 4G | 移动4G通讯,使用移动物联网SIM卡 | |||||
| 代码 | 综合精度 | |||||
| C3 | 压力精度:±0.5%FS,温度精度:±1℃,湿度精度:±3%RH,倾角精度±1° | |||||
| 代码 | 称台面尺寸规格 | |||||
| 400*300 | 长400mmX宽300mm | |||||
| 500*400 | 长400mmX宽300mm | |||||
| 600*450 | 长400mmX宽300mm | |||||
| * | 定制台面尺寸 | |||||
| 代码 | 特殊要求规格 | |||||
| 省略 | ||||||
| PT500-110 | (0-20Kg) | 4G | C3 | 400*300 | ||
三、CO2灭火器无线重量监控仪 PT500-110产品参数:
| 项目 | 参数 | 项目 | 参数 |
| 测量介质 | 灭火器及其它需称重设备 | 台面尺寸 | 400*300(mm) |
| 通讯类型 | 移动4G/SIM卡可换 | 500*400(mm) | |
| 称重量程 | 0~20Kg | 600*450(mm),可定制 | |
| 0~30Kg | 使用寿命 | ≥100万次 | |
| 0~50Kg; | 环境温度 | -40~+70℃ | |
| 0~100Kg;可定制量程 | 巡检时间 | 000~999分钟/次 | |
| 温度量程 | -40~+70℃ | 上传频率 | 01~99次巡检时间 |
| 湿度量程 | 0~99%RH | 安全过载 | 150%FS |
| 倾角量程 | ±90°(X;Y;Z三轴) | 破坏重量 | 3倍量程; |
| 综合精度 | 称重:±0.5%FS;温度:±1℃ | 天线方式 | 内置免安装 |
| 湿度:±3%RH;倾角:±1° | 防护等级 | IP67 | |
| 电池规格 | 14250*2;3.6VDC/2400mAh;可更换 | 台面材料 | 防滑铁片+烤漆防锈 |
| 电池寿命 | ≥2年/采集频率4小时/次 | 秤架材料 | 20*30铁管+烤漆防锈 |
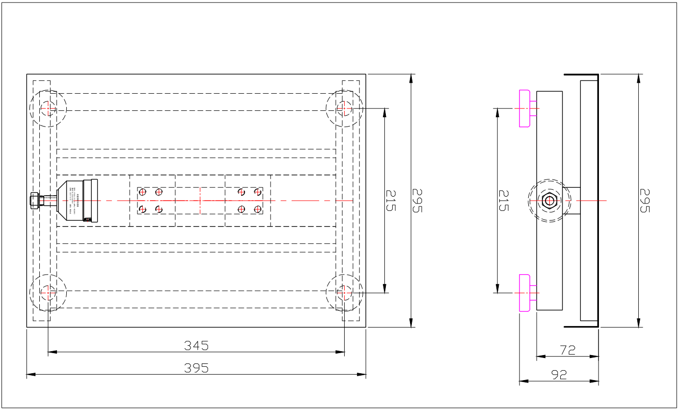
四、二氧化碳灭火器漏气监测传感器产品结构:

五、无线电子秤PT500-110产品应用:

五、感之物联云平数据监控:



六、感之物联APP:



服务热线
QQ咨询

微信资询

移动端网站
